3D part design

3d design of parts, assemblies and final products. Affordable, very high quality, fast delivery with the help of the most modern Creo design software by PTC, or online platform Onshape for product development.

Building information modeling

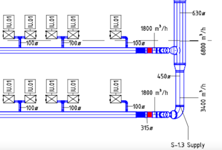
Building information modeling - BIM for heating, cooling and ventilation (HVAC), plumbing, sewage and gas installations in production, commercial and residential buildings using CAD Revit software. Order part or full installation design.

Order directly from talented designer

Fill the form below and send your enquiry now to get proposal from talented designer for affordable price and quick delivery.
Your name:
Your e-mail:
Text: